- Sistem za održavaje pritiska ima ulogu održavaja radnog pritiska i kompenzacije dilatiranja radnog fluida za vreme rada instalacije grejanja ili hlađenja.
- Opciono, sistem se može konfigurisati tako da obezbedi automatsku dopunu izgubljene količine fluida.
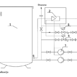
- Otvoreni ekspanzioni sistem za održavanje pritiska namenjen je postojenjima kapaciteta većeg od 360 KW.
SOP
Sistem za održavanje pritiska
Pritisak max. -10 bar; Temperatura max.-90 °C; Napajanje- 230V, 50 Hz




